Il GC UltraFast Teledyne Falcon è un classico Gascromatografo da laboratorio. Solo più compatto e veloce!
E’ l’evoluzione dei classici gascromatografi da processo ed è adatto ad essere installato in Laboratorio ed in aree ATEX.
E’ un prodotto dell’azienda americana Falcon Analytical Inc. acquisita nell’Ottobre 2018 dalla multinazionale Teledyne divisione Analytical Instruments.
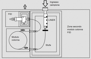
E’ il primo e l’unico GasCromatografo ad utilizzare, in una versione da laboratorio, moduli colonna termostatati senza fare uso di un vano stufa per le colonne capillari.

- FASTER – E’ ultra-Fast senza bisogno di alte pressioni o colonne particolari. Un minuto per il campione successivo.
- SMALLER – E’ compatto nelle dimensioni e nel peso. E’ largo 43 cm, profondo 22 cm e alto 28 cm, pesa circa 10 kg.
- SMARTER – E’ modulare, facile da configurare e da manutenere.
- EASIER – L’interfaccia utente è semplificata e la manutenzione è limitata a poche operazioni.
- GREENER – Il consumo di energia non supera mai i 300 Watt.
Consuma almeno 100 volte in meno dei sistemi classici.
Grazie alla sua capacità di variare rapidamente le temperature della colonna è in grado di eseguire analisi in tempi 10, 50 volte inferiori rispetto ad un normale GC.
Consente di analizzare il campione successivo in meno di un minuto dalla fine della precedente analisi. Il sistema GC Calidus è un completo gascromatografo che può operare velocissime rampe di temperatura fino a 430°C.
La camera di iniezione riscaldata, può accettare campioni liquidi o gassosi, utilizzando sistemi di campionamento automatici o manuali. Fino a due moduli colonna, installati separatamente tra loro, possono operare simultaneamente in modo da garantire il massimo della selettività.
I moduli colonna sono costituiti da classiche colonne in Acciaio Inox prodotte da Restek, serie MXT, controllate da una scheda elettronica che provvede ad eseguire le rampe di temperature, applicando una corrente modulata che corre sulla colonna stessa.
Il sistema può essere considerato Plug and Play. In questo caso viene fornito pre-calibrato. Le due colonne, operanti a temperature programmate singolarmente, permettono differenti analisi, simultanee, sullo stesso campione.
Possono essere utilizzati 4 differenti tipi di rivelatore: FID (Flame Ionization Detection) e TCD (Thermal Conductivity Detector, max T 350°C), DBD (Dielectric Barrier Discharge) e FPD (Flame Photometric Detector).
Viene fornito con il sistema di elaborazione dati ChromPerfect Chromatography Data System su PC Windows. Integrato con il software Infometrix, permette l’elaborazione dei dati anche in Chemiometria.
Le differenti possibili configurazioni del sistema Calidus consentono l’analisi di gas puri o di componenti con temperature equivalenti di ebollizione fino n-C50.
I campioni possono essere in fase gassosa o liquida e possono essere iniettati direttamente nell’iniettore split/splitless. Sono disponibili anche altri sistemi di campionamento opzionali SPME.
L’assenza dei classici forni ad aria per le colonne riducono lo spazio occupato dal Calidus sul bancone, fornendo comunque tutte le possibilità offerte da un sistema classico, con fornace, ad alta inerzia termica.
Con un peso di circa 10 kg offre possibilità di trasporto inimmaginabili fino ad oggi. Non vengono smentite le sue origini di gas cromatografo da processo. 
Le sue prime applicazioni sono state sviluppate per gli impianti nell’industria chimica. Lo sviluppo di questo sistema da laboratorio è, infatti, il frutto di oltre 20 anni di esperienza sul campo.
Ora, grazie all’uso dello stesso hardware e delle stesse metodiche, è finalmente possibile correlare perfettamente i risultati di laboratorio con quelli del processo.
L’elaborazione dei cromatogrammi avviene in maniera automatica con l’uso di un elaboratore di dati interno che aiuta l’operatore durante operazioni complesse di interpretazione e di validazione dei risultati cromatografici.
Il sistema di elaborazione comprende la tecnologia LineUpTM di Infometrix Inc. che elimina virtualmente la possibilità di confondere i picchi di componenti simili, riducendo drasticamente la necessità di analizzare molti campioni per la calibrazione.
Il sistema brevettato del modulo colonna gascromatografica, completo di un compatto controllo termico, consente di evitare complicati schemi di valvole usate in sistemi isotermici da laboratorio.
Queste caratteristiche di compattezza e rapidità conferiscono al Calidus il titolo di apparato più Green della sua categoria.
In esercizio la potenza di picco non supera i 300 W e, considerando la velocità di analisi, risulta un consumo di circa l’1% della potenza per analisi, rispetto a sistemi tradizionali che possono consumare fino a 3000 W per tempi almeno 10 volte superiori.
Oltre al peso, alle dimensioni e al consumo di energia elettrica ridotti, consente una portabilità unica su campo. Tutte le funzioni e i parametri possono essere impostati tramite Ethernet o USB.
L’analisi può essere attivata dal pannello di comando del display touch screen dello strumento o attraverso un computer esterno che utilizza ChromPerfect Software. I segnali di colonna sono digitalizzati, per ogni colonna nella risoluzione di 24 bit, il FID a 100 Hz e TCD a 50 Hz. ChromPerfect fornisce inoltre una serie completa di controlli e opzioni di elaborazione per le altre funzioni e impostazioni dell’analizzatore.
Inoltre, il pannello frontale (LCD touch screen) fornisce letture di: temperatura e pressione, funzione on/off, accensione/spegnimento, lo stato delle colonne di analisi (isotermica, programmazione, raffreddamento, ready e cicli di esecuzione).
Le performance (a seconda dell’applicazione) sono: Ripetibilità di ± 1% RSD o migliore (x area) e di ± 0,1% RSD o migliore (x tempi di ritenzio
ne). I tempi di analisi per VOCs possono essere <20 secondi e per SVOCs <60 secondi. La gamma dinamica dipende dal detector usato e dall’applicazione (FID tipicamente 105).
I principali settori di utilizzo riguardano: raffinerie, industrie petrolchimiche, chimiche, LPG, gas naturali, settore ambientale, processi di fermentazione, food & beverage, auto motive, ecc…
Le applicazione più diffuse sono l’analisi in ultraFast del contenuto di Alcol Metilico nel vino senza richiedere la sua distillazione e l’analisi del contenuto dell’Alcol Etilico, Alcoli Superiori, Fenoli e Glicoli in svariati settori industriali e alimentari.
Nel settore petrolifero è perfettamente conforme alla recente norma ASTM D7798 – 2013 “Standard Test Method for Boiling Range Distribution of Petroleum Distillates with Final Boiling Points up to 538°C by Ultra Fast Gas Chromatography (UF GC)”
Nel campo ambientale, per esempio, eccede la norma UNI EN ISO 9377-2 per i ridotti tempi di analisi e per l’utilizzo della più robusta colonna in acciaio inox invece di quella in Silice fusa.
Il team di TQ è in grado di effettuare dimostrazioni operative presso i laboratori interessati a verificare di persona le eccellenti performance del Calidus.
Previo accordo, saremo felici di ospitarvi nel nostro show-room di Genova Boccadasse oppure, di venirvi a trovare con il nostro apparato demo GC Ultra-Fast CALIDUS trasportato su un carrello pieghevole, completo di generatore H2 e purificatore aria HC free, compresssore silent Air e campionatore a 15 posizioni HTA.

Il nostro demo GC Ultra-Fast CALIDUS all’opera su benzine da competizione.
Il Falco Pellegrino era stato scelto dal suo primo produttore Falcon Analytical Inc. per rappresentare simbolicamente il nuovo gas cromatografo Calidus. Grazie alla sua forza, intelligenza e manovrabilità, il Falco è da sempre stato apprezzato per le sue doti di cacciatore.E’ il volatile più veloce del pianeta, può raggiungere in picchiata oltre 320 km/h e fino a 192 km/h in volo. Versatile e adattabile, il Falco Pellegrino si può trovare pressoché ovunque sulla terra. E’ compatto: il suo corpo va da 34 a 58 centimetri ed è leggero. L’esemplare più pesante non eccede i 2 chilogrammi ed è affidabile: seguirà il suo padrone per tutta la vita.
Chiedi ulteriori informazioni con un breve messaggio di testo
Teledyne Falcon










